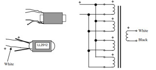
LL2912 is a flying lead version of microphone ribbon transformer LL2911. Core is our proprietary high mu amorphous strip core.
Turns ratio: 1 : 37
Dimensions: Length [leads not included] 27mm
Max diameter 19.5 mm
Weight: 17 g
Core: Amorphous strip core
Static resistance of primary: 0.05 ohms
Static resistance of secondary: 59 ohms ?
Es gibt noch keine Bewertungen.
Bitte beachten Sie unsere Datenschutzerklärung